Ważne jest, aby przed przystąpieniem do pracy przygotować odpowiednie narzędzia i materiały. Dobrze wykonane połączenia nie tylko zapewniają optymalne ładowanie akumulatora, ale również minimalizują ryzyko uszkodzeń. W dalszej części artykułu omówimy również, jak sprawdzić poprawność połączeń oraz jakie środki ostrożności należy podjąć, aby uniknąć nieprzyjemnych niespodzianek.
Kluczowe wnioski:
- Podłączenie alternatora z regulatorem wymaga precyzyjnych kroków i odpowiednich narzędzi.
- Bezpieczeństwo jest kluczowe – zawsze odłączaj ujemny biegun akumulatora przed rozpoczęciem pracy.
- W przypadku alternatora z wbudowanym regulatorem, istotne są trzy główne punkty podłączenia: B+, D+ i masa.
- Po zakończeniu montażu, należy sprawdzić napięcie na akumulatorze, które powinno wynosić między 13,8 V a 14,4 V.
- Typowe błędy to m.in. nieprawidłowe podłączenie przewodów oraz brak zabezpieczeń izolacyjnych.
Jak prawidłowo podłączyć alternator z regulatorem dla początkujących
Podłączenie alternatora z regulatorem jest kluczowe dla prawidłowego działania systemu ładowania w pojeździe. Właściwe połączenie zapewnia nie tylko efektywność ładowania akumulatora, ale także bezpieczeństwo całego układu elektrycznego. W tym artykule omówimy, jakie są podstawowe kroki oraz na co zwrócić uwagę przed przystąpieniem do instalacji. Przedstawimy również, jakie narzędzia i materiały są niezbędne do wykonania tego zadania.
Ważne jest, aby przed rozpoczęciem pracy zrozumieć, że każdy etap podłączenia wymaga precyzji i dokładności. Nieprawidłowe połączenia mogą prowadzić do uszkodzenia alternatora lub regulatora, a także do problemów z ładowaniem akumulatora. W kolejnych częściach artykułu znajdziesz szczegółowe informacje dotyczące wyboru odpowiednich narzędzi oraz materiałów, a także krok po kroku instrukcje dotyczące samego procesu podłączenia.
Wybór odpowiednich narzędzi i materiałów do podłączenia
Aby prawidłowo podłączyć alternator z regulatorem, potrzebujesz kilku niezbędnych narzędzi. Wśród nich znajdują się klucze, wkrętaki oraz multimeter, który pozwoli na sprawdzenie napięcia. Oto lista podstawowych narzędzi, które warto mieć pod ręką:- Klucz płaski 10 mm - idealny do odkręcania i przykręcania śrub.
- Multimeter - niezbędny do pomiaru napięcia i sprawdzania poprawności połączeń.
- Wkrętak krzyżakowy - używany do mocowania elementów.
Oprócz narzędzi, potrzebujesz także odpowiednich materiałów. Właściwe okablowanie i złącza są kluczowe dla stabilności połączeń. Warto zwrócić uwagę na jakość używanych elementów, aby uniknąć problemów w przyszłości. Oto lista materiałów, które będą potrzebne:
- Przewody miedziane - zapewniają dobry przewód elektryczny.
- Konektory izolowane - chronią przed zwarciem i uszkodzeniami.
- Taśma izolacyjna lub koszulki termokurczliwe - do zabezpieczenia połączeń.
Krok po kroku: jak podłączyć alternator z regulatorem
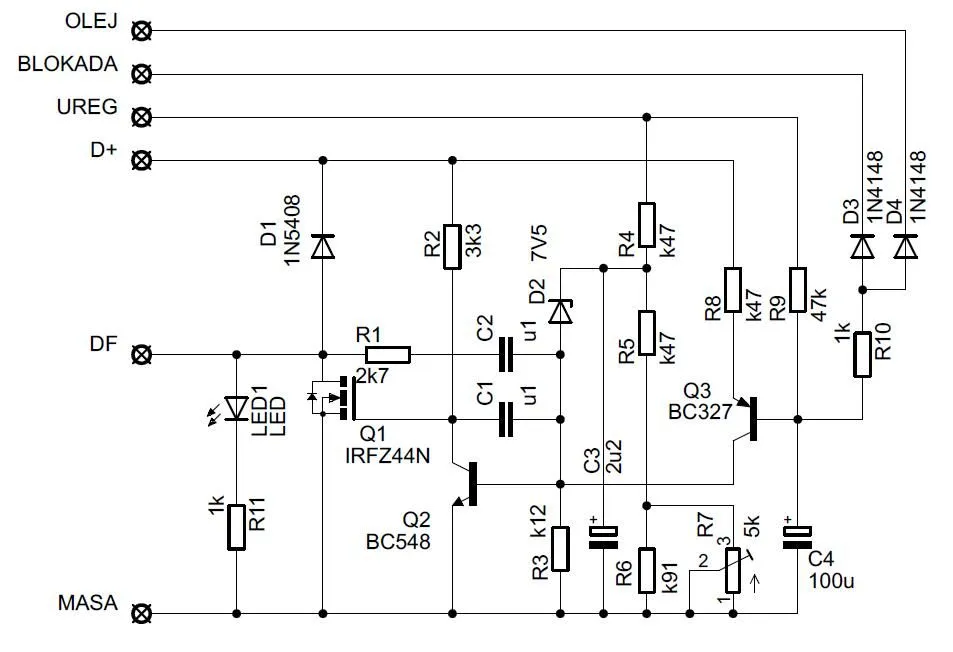
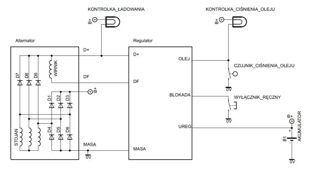
Podłączenie alternatora z regulatorem wymaga kilku kluczowych kroków. Na początku należy odłączyć ujemny biegun akumulatora, co zapewnia bezpieczeństwo podczas pracy. Następnie zlokalizuj miejsce montażu regulatora, które powinno być suche i oddalone od źródeł ciepła. W przypadku alternatora z wbudowanym regulatorem, istotne są trzy główne punkty podłączenia: wyjście B+ (plus), D+ (sterowanie wzbudzeniem) oraz masa.
Po przygotowaniu miejsca i narzędzi, przystąp do podłączania przewodów. Przewód B+ należy podłączyć do dodatniego zacisku akumulatora, co umożliwi ładowanie akumulatora podczas pracy silnika. Następnie podłącz przewód D+ do regulatora napięcia, który kontroluje napięcie płynące do akumulatora. Na koniec, przewód W- (masa) musi być podłączony do masy pojazdu, co jest kluczowe dla prawidłowego działania układu.
Po zakończeniu podłączania, ważne jest, aby sprawdzić poprawność połączeń. Upewnij się, że wszystkie przewody są dobrze zamocowane i zabezpieczone izolacją, np. taśmą izolacyjną lub koszulkami termokurczliwymi. Następnie ponownie podłącz akumulator i sprawdź napięcie na akumulatorze podczas pracy silnika – powinno wynosić między 13,8 V a 14,4 V. Kontrolka ładowania na desce rozdzielczej powinna zgasnąć po uruchomieniu silnika.
Kluczowe środki ostrożności, aby uniknąć uszkodzeń
Aby uniknąć uszkodzeń alternatora i regulatora podczas instalacji, należy przestrzegać kilku kluczowych środków ostrożności. Po pierwsze, unikaj nadmiernego dokręcania połączeń, ponieważ może to prowadzić do uszkodzenia gwintów lub pęknięcia elementów. Po drugie, upewnij się, że wszystkie przewody są odpowiednio zabezpieczone i nie mają kontaktu z ostrymi krawędziami, które mogą je przetrzeć i spowodować zwarcie.Jak sprawdzić poprawność połączeń po montażu
Po zakończeniu instalacji ważne jest, aby zweryfikować poprawność wszystkich połączeń. Użyj multimetru, aby sprawdzić napięcie na akumulatorze. Po uruchomieniu silnika, napięcie powinno wynosić między 13,8 V a 14,4 V. Jeśli pomiar wskazuje wartości poza tym zakresem, może to oznaczać problem z połączeniami lub z samym alternatorem.
Kolejnym krokiem jest przeprowadzenie wizualnej inspekcji wszystkich połączeń. Upewnij się, że przewody są dobrze zamocowane oraz że nie ma luzów ani uszkodzeń. Sprawdź także izolację przewodów, aby upewnić się, że nie ma odsłoniętych miejsc, które mogą prowadzić do zwarcia. Regularne kontrole połączeń pomogą w utrzymaniu systemu ładowania w dobrym stanie i zapobiegną przyszłym problemom.
Typowe błędy przy podłączaniu alternatora z regulatorem
Podczas podłączania alternatora z regulatorem mogą wystąpić różne błędy, które mogą prowadzić do problemów z działaniem systemu ładowania. Jednym z najczęstszych błędów jest niewłaściwe okablowanie, które może skutkować zwarciami lub brakiem ładowania akumulatora. Inne powszechne błędy obejmują niepoprawne podłączenie przewodów do zacisków alternatora oraz brak odpowiedniego zabezpieczenia połączeń, co może prowadzić do ich poluzowania w trakcie pracy silnika.
Kolejnym błędem jest zbyt mocne dokręcanie połączeń, co może uszkodzić elementy alternatora lub regulatora. Warto również zwrócić uwagę na niewłaściwe umiejscowienie regulatora, które powinno być z dala od źródeł ciepła i wilgoci. Aby uniknąć tych problemów, należy stosować się do poniższych wskazówek:
- Dokładnie sprawdzaj schematy podłączenia, aby uniknąć błędów w okablowaniu.
- Używaj odpowiednich narzędzi, aby uniknąć nadmiernego dokręcania połączeń.
- Regularnie kontroluj połączenia, aby upewnić się, że są dobrze zabezpieczone i nie mają luzów.
Jak rozpoznać i naprawić najczęstsze problemy
Po zakończeniu instalacji alternatora z regulatorem mogą wystąpić różne problemy, które warto szybko zidentyfikować. Jednym z pierwszych sygnałów problemów jest migająca kontrolka ładowania na desce rozdzielczej, która może wskazywać na niewłaściwe połączenia lub uszkodzenie alternatora. Inne objawy to spadek napięcia na akumulatorze oraz niestabilne działanie silnika.
Aby naprawić te problemy, należy najpierw sprawdzić wszystkie połączenia i upewnić się, że są one prawidłowo zamocowane. W przypadku migającej kontrolki, warto również skorzystać z multimetru, aby zmierzyć napięcie na akumulatorze. Jeśli napięcie jest poniżej 13,8 V, może to oznaczać, że alternator nie działa prawidłowo. W takim przypadku konieczna może być wymiana alternatora lub regulatora napięcia. Regularne kontrole i konserwacja systemu ładowania pomogą w uniknięciu tych problemów w przyszłości.

Czytaj więcej: Jak wygląda alternator w samochodzie i jak go zidentyfikować?
Wskazówki dotyczące konserwacji alternatora i regulatora
Aby zapewnić optymalne działanie alternatora i regulatora, regularna konserwacja jest kluczowa. Sprawdzanie połączeń powinno być wykonywane co kilka miesięcy, aby upewnić się, że nie ma luzów ani uszkodzeń. Należy również regularnie czyścić zaciski i terminale, aby uniknąć korozji, która może prowadzić do problemów z przewodnictwem elektrycznym.
Kolejnym ważnym aspektem jest kontrola stanu izolacji przewodów. Uszkodzone lub przetarte przewody mogą prowadzić do zwarć, dlatego warto je regularnie sprawdzać i wymieniać w razie potrzeby. Utrzymanie alternatora i regulatora w czystości oraz w dobrym stanie technicznym pozwoli na dłuższe i bardziej efektywne ich użytkowanie.
Jak monitorować wydajność alternatora i regulatora na co dzień
Aby maksymalnie wykorzystać możliwości alternatora i regulatora, warto zainwestować w system monitorowania ich wydajności. Instalacja prostego multimetru lub systemu monitorującego napięcie w kabinie pojazdu pozwala na bieżąco śledzenie stanu ładowania akumulatora oraz pracy alternatora. Taki system może informować o ewentualnych problemach, zanim staną się one poważne, co oszczędza czas i pieniądze na naprawy.
Dodatkowo, zastosowanie technologii OBD-II (On-Board Diagnostics) umożliwia dostęp do danych dotyczących wydajności alternatora i regulatora bezpośrednio z systemu pojazdu. Dzięki temu można monitorować parametry pracy, takie jak napięcie, prąd ładowania i ewentualne błędy, co pozwala na szybsze reagowanie na nieprawidłowości. Regularne analizowanie tych danych pomoże w utrzymaniu systemu ładowania w optymalnym stanie oraz przedłuży żywotność zarówno alternatora, jak i regulatora.
